歐美晶振
-
貼片晶振 SMD Crystal -
石英晶振 Quartz crystal -
圓柱晶振 KHZ Crystal -
聲表面諧振器|濾波器 SAW Resonator -
陶瓷晶振 Ceramic Resonator -
陶瓷濾波器 Ceramic Filte -
陶瓷霧化片 Atomization piece -
NJR晶振 NJR CRYSTAL -
日本大真空晶振 KDS crystal -
愛普生石英晶振 EPSON Crystal -
西鐵城晶體 CITIZEN Crystal -
精工晶體 SEIKO Crystal -
村田陶瓷諧振器 muRata Crystal -
京瓷貼片晶振 -
NDK石英晶振 NDK CRYSTAL -
CTS晶振 CTS石英晶振 -
大河晶振 日本大河晶體 -
TXC石英晶振 臺灣晶技 -
泰藝石英晶振 泰藝SMD晶體 -
鴻星貼片晶振 HOSONIC -
加高石英晶振 加高石英晶體諧振器 -
臺灣亞陶晶振 亞陶石英晶振 -
NAKA晶振 NAKA晶振 -
SMI晶振 -
AKER晶振 AKER晶振 -
NKG晶振 NKG CRYSTAL -
ABRACON晶振 艾博康晶振 -
VECTRON晶振 維管晶振 -
JAUCH晶振 JAUCH CRYSTAL -
ConnorWinfield晶振 康納溫菲爾德晶振 -
Rakon晶振 瑞康晶振 -
ECS晶振 伊西斯晶振 -
CTS晶振 西迪斯晶振 -
GREENRAY晶振 格林雷晶振 -
ECLIPTEK晶振 日蝕晶振 -
GOLLEDGE晶振 高利奇晶振 -
STATEK晶振 斯塔克晶振 -
Pletronics晶振 普銳特晶振 -
SITIME晶振 可編程晶振 -
Microcrystal晶振 瑞士微晶晶振 -
DIODES晶振 百利通亞陶晶振 -
RALTRON晶振 拉隆晶振 -
AEK晶振 安克晶振 -
AEL晶振 艾爾晶振 -
ILSI晶振 艾爾西晶振 -
FOX晶振 福克斯晶振 -
fujicom晶振 富士通晶振 -
CRYSTEK晶振 瑞斯克晶振 -
Geyer晶振 格耶電子 -
quartzcom晶振 康泰克晶振 -
EUROQUARTZ晶振 歐洲石英晶振 -
quarztechnik晶振 夸克晶振 -
Cardinal晶振 卡迪納爾晶振 -
FRE-TECH晶振 弗萊特晶振 -
KVG晶振 KVG CRYSTAL -
wi2wi晶振 威爾威晶振 -
Transko晶振 特蘭斯科晶振 -
suntsu晶振 松圖晶振 -
mmdcomp晶振 麥迪康晶振 -
MERCURY晶振 瑪居禮晶振 -
MTRONPTI晶振 麥特倫皮晶振 -
qantek晶振 qantek晶振 -
IDT晶振 IDT CRYSTAL -
ACT CRYSTAL ACT CRYSTAL -
mti-milliren crystal -
Lihom晶振 Lihom晶振 -
Rubyquartz晶振 -
OSCILENT晶振 OSCILENT晶振 -
ITTI晶振 -
Shinsung晶振 -
CTECH晶振 -
IQD晶振 IQD CRYSTAL -
Microchip晶振 Microchip CRYSTAL -
Silicon晶振 Silicon CRYSTAL -
Fortiming晶振 Fortiming CRYSTAL -
CORE晶振 CORE CRYSTAL -
NIPPON晶振 Nippon Crystal -
NIC晶振 NIC CRYSTAL -
QVS晶振 QVS OSCILLATOR -
Bomar晶振 Bomar Crystal -
Bliley晶振 BlileyCrystal -
GED晶振 GED CRYSTAL -
FILTRONETICS晶振 FILTRONETICS CRYSTAL -
Standard晶振 StandardCrystal -
Q-Tech晶振 Q-Tech CRYSTAL -
Anderson晶振 Anderson crystal -
Wenzel晶振 WENZEL CRYSTAL -
NEL晶振 NEL CRYSTAL -
EMResearch晶振 EMResearch Crystal -
PETERMANN晶振 PETERMANN CRYSTAL -
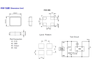
FCD-Tech晶振 FCD-Tech Crystal -
HEC晶振 HEC crystal -
FMI晶振 FMI crystal -
AXTAL晶振 AXTAL crystal -
SUNNY晶振 SUNNY CRYSTAL -
ARGO晶振 ARGO晶振公司是專業提供和設計波段頻率控制設備和微波無線通信零部件.我們還分銷日本,歐洲和美國的一些知名品牌零部件.我們致力于發展與計算機,IT和無線通信公司無任何界限的信息時代.我們秉承經營者的踏實,誠懇的態度,互惠互利的精神,實現共贏的目標,以誠信為本,誠信為本,公平交易為宗旨,以誠信,勤勉,誠信,精神質量第一,客戶滿意的經營理念,將以優良的產品質量,優惠的價格,優質的服務與您建立長期穩定的合作關系,共創輝煌事業.

fujicom晶振,貼片晶振,FCO-200晶振,富士晶振公司股份有限公司位于日本山梨縣南都留郡富士河口湖町勝山1430-1
富士晶振公司主要以石英晶振,電子元件,三端穩壓管,LED照明,高壓電容器,薄膜電容器等產品的生產與開發,在于2013年開始處理,軟件的開發,今后在有線、無線通信設備的本公司商品化目標。今后更能迅速滿足市場的需求。目前針對中國市場主要以石英晶振,石英晶體諧振器,石英晶體振蕩器,有源晶振系列產品作為主打。
公司主要一些大事記:
1994年1月
500萬日元的資本金為富士公司成立。
原工作中水晶設備企業的營業將移交到富士com。
開始銷售水晶設備。
1994年3月
為了擴充石英晶振水晶設備的銷售機型,
該公司將與韓國sunny electronics公司、山梨的無線電波股份公司、株山公司簽訂合同。
1998年4月
為了提高質量,還導入了網絡分析儀和其他檢查器。
1998年11月
美國transkelectronics。締結進貨銷售合同。

隨著科技數碼產品的小型化發展,晶體元件的尺寸也從最初的插件龐大體積演變成目前的多種規格SMD小尺寸趨勢,目前晶體內部的石英晶片已經達到了+-0.002mm以內了,由于很多石英晶振廠家在生產小尺寸時所產生的問題,晶片很小導致晶體的各類寄生波(如長度伸縮振動,面切變振動)與主振動(厚度切變振動)的耦合加強,從而造成如若晶片的長度或寬度尺寸設計不正確、使得振動強烈耦合導致晶片不能正常工作,在隨著長時間的研究目前小尺寸的晶體已完全走入了成熟的階段。
| Fujicom晶振規格 | 單位 | FCO-200晶振 | 石英晶振基本條件 |
| 標準頻率 | f_nom | 1-50MHz | 標準頻率 |
| 儲存溫度 | T_stg | -40° C - +85° C | 裸存 |
| 工作溫度 | T_use | -10° C - +70° C | 標準溫度 |
| 激勵功率 | DL | 100μW Max. | 推薦:1μW ~ 100μW |
| 頻率公差 | f_— l |
±50 × 10-6 (標準), (±20× 10-6 ~ ± 100× 10-6 可用) |
+25°C 對于超出標準的規格說明, 請聯系我們以便獲取相關的信息,http://www.cuifesek.cn |
| 頻率溫度特征 | f_tem | ±50 × 10-6/25°C | 超出標準的規格請聯系我們. |
| 負載電容 | CL | 15pF | 不同負載電容要求,請聯系我們. |
| 串聯電阻(ESR) | R1 | 如下表所示 | -40°C — +85°C, DL = 100μW |
| 頻率老化 | f_age | ±5 × 10-6 / year Max. | +25°C,第一年 |
.jpg)

表面貼裝型晶振的超聲波清洗
(1)使用AT-切割晶體和表面聲波(SAW)諧振器/濾波器的產品,可以通過超聲波進行清洗。但是,在某些條件下, 晶體特性可能會受到影響,而且內部線路可能受到損壞。確保已事先檢查系統的適用性。
(2)使用音叉晶體和陀螺儀傳感器的產品無法確保能夠通過超聲波方法進行清洗,因為晶體可能受到破壞。
(3)請勿清洗開啟式產品
(4)對于可清洗產品,應避免使用可能對產品產生負面影響的清洗劑或溶劑等。
(5)焊料助焊劑的殘留會吸收水分并凝固。這會引起諸如位移等其它現象。這將會負面影響產品的可靠性和質量。請清理殘余的助焊劑并烘干PCB。
操作
請勿用鑷子或任何堅硬的工具,夾具直接接觸IC的表面。
使用環境(溫度和濕度)
請在規定的溫度范圍內使用產品。這個溫度涉及本體的和季節變化的溫度。在高濕環境下,會由于凝露引起故障。請避免凝露的產生。
晶體單元/諧振器,fujicom晶振,貼片晶振,FCO-200晶振
激勵功率
在低消耗石英貼片晶振單元上施加過多驅動力,會導致產品特性受到損害或破壞。電路設計必須能夠維持適當的激勵功率 (請參閱“激勵功率”章節內容)。
府機電阻
除非振蕩回路中分配足夠多的負極電阻,否則振蕩或振蕩啟動時間可能會增加(請參閱“關于振蕩”章節內容)。
負載電容
2520四腳貼片晶振振蕩電路中負載電容的不同,可能導致振蕩頻率與設計頻率之間產生偏差。試圖通過強力調整,可能只會導致不正常的振蕩。在使用之前,請指明該振動電路的負載電容(請參閱“負載電容”章節內容)。
.jpg)
質量政策
保持就健康安全環境問題與臨近攝取進行對話.通過在環境控制方面實施優秀的管理實踐,以保護環境和與強生公司全球運作相關的自然資源.向員工灌輸環境價值觀,在所有的49S假貼片晶振,石英晶體諧振器等產品生產過程中應用最佳環境實用技術,為全球可持續發展做出貢獻.

1.技術支持 2.客服咨詢
全方位技術指導,專業的技術支持讓您感受 專業的銷售團隊,耐心為您解答任
到前所未有的后顧無憂. 何疑問.讓您的消費得到保障。
3.質量保證,誠信為上 4.提升業績,降低成本
我司以"科技為動力,以質量求生存."為理念. 為您的產品量身訂制,免費取樣,
為您做到低成本,高效率.
工作時間
1,我公司早上上班時間為8:30——12:00。下午上班時間為1:30——5:30。歡迎隨時咨詢我們,業務員手機都是24小時開機的哦!
2,珠三角地區的客戶統一發信豐快遞。如您有指定的快遞公司,請提前和業務員溝通。廣東省外的客戶統一發安全便捷快速的順豐快遞.

深 圳 市 泰 河 電 子 有 限 公 司
代理:EPSON,KDS,CITIZEN,SEIKO
電話:0755-27872782
手機:13824306246
郵箱:taiheth@163.com
Q Q:794113422
地址:深圳市寶安區40區33號工業城6樓
網址:http://www.cuifesek.cn
溫馨提示:泰河電子已正式開通微信公眾號,大家可以關注訂閱我司的微信公眾號,每天都會更新新的資料,及進口晶振原包裝圖.與官網同步,將可以第一時間與大家溝通!歡迎掃碼關注!










